ProDryers.com AnswersProDryers.com Answers

Ask a Question

Related Product

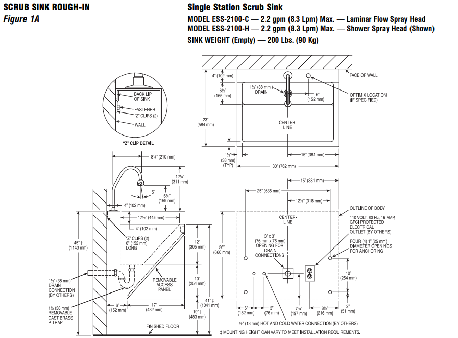
Sloan ESS-2100-C-ADM Optima Scrub Sink, Single Station, Sensor Activated Faucet, Stainless Steel, with Laminar Flow Spray Head and Above Deck Mixing Valve
Sloan ESS-2100-C-ADM Optima Scrub Sink, Single Station, Sensor Activated Faucet, Stainless Steel, with Laminar Flow Spray Head and Above Deck Mixing Valve Extremely low, hard to beat Sloan ESS-2100-C-ADM Scrub Sink price. This product will ship direct from Sloan and has a lead time of 4-6 weeks. Cal... See More
View Details

Tools


Please wait

Please wait...